3000 кг
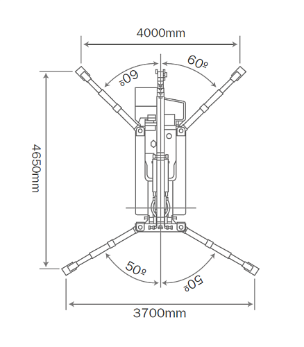
4150х1300x1845 мм
9.8 м
11 м
Аренда от 1го дня
Бесплатный самовывоз со склада
Доставка от 1 дня по территории РФ и Казахстана (доставка Арлифт или другой транспортной компанией)
Безналичным расчетом для юридических лиц.
Стоимость и сроки доставки рассчитываются отдельно и зависят от региона и страны, а также наличия нужного количества товара на складе. Точную стоимость и сроки поставки уточняйте перед арендой или покупкой.
Для срочных заказов в случае аренды оборудования возможна доставка день в день.
В остальных случаях доставка по городу осуществляется не ранее, чем на следующий день после оформления заказа и при наличии товара на складе. В случае безналичной оплаты доставка осуществляется на следующий день после того, как деньги поступили на расчетный счет компании.
Стоимость и сроки доставки рассчитываются отдельно и зависят от региона и страны, а также наличия нужного количества товара на складе. Точную стоимость и сроки поставки уточняйте перед арендой или покупкой.
Решаемые задачи
Функциональные преимущества
Подобные модели
Арендовать Мини-кран MC-354 и другую надежную спецтехнику от компании ARLIFT в Волгограде — для эффективного решения строительных, монтажных и промышленных задач в любых условиях.
Помощь наших экспертов в подборе техники, подробные характеристики, инструкции по управлению и реальные кейсы помогут вам сделать правильный выбор оборудования и оформить аренду на любой срок — без затянутого документооборота и простоев.
Доставка от 1 дня в Волгограде, по всей России и в странах СНГ. Если во время аренды появились вопросы — поможем дистанционно в момент обращения или оперативно приедем на объект.
Как арендовать технику
- Оставьте заявку через короткую форму или по телефону 8 (800) 550 59 68
- Менеджер уточнит детали, подберет технику и рассчитает стоимость с доставкой на объект или с бесплатным самовывозом
- Заключаем договор и выставляем счет
- После оплаты готовим технику к самовывозу или сами доставляем на объект в согласованные сроки
